Features:
-
360° rotation platform
-
Precision worm and gear structure
-
Angular position is indicated on a 360° scale graduated in 5° increments
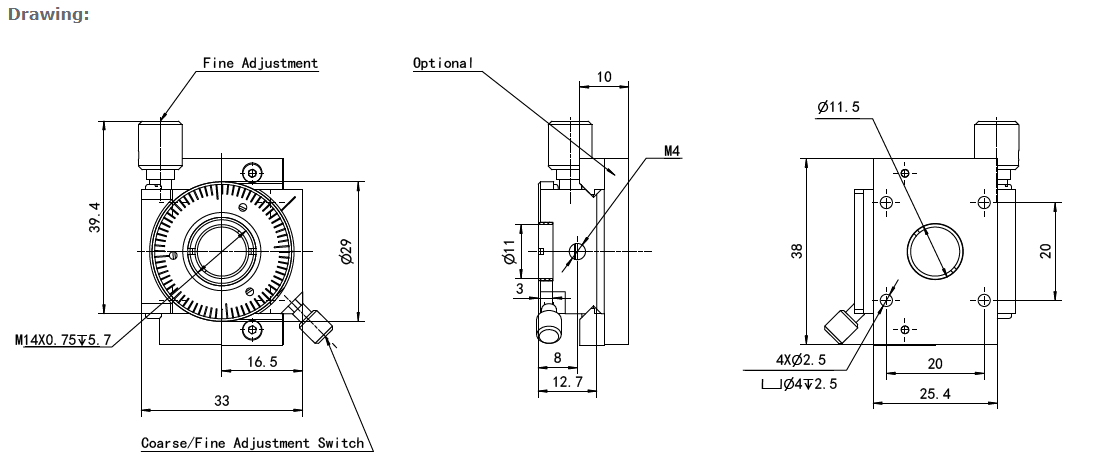
Description:
-
The BY-MAR-29R-S Rotation Stage rotates 360° in a precision bored bushing that locks with a side-mounted thumbscrew. It provides exceptionally smooth and continuous angular positioning for 0.5-inch (12.7 mm) diameter optics or components.
-
Angular position is indicated on a 360° scale graduated in 5° increments. The adjustment knob can be securely locked by tightening the screw at the end of the knob.
-
There are two small wedge blocks with M2x6 at both sides of the stage. They can be used for mounting this rotary stage. There are 3xM2 threaded holes on the top platform. The base plate with 4×2.5mm holes is an optional part.









