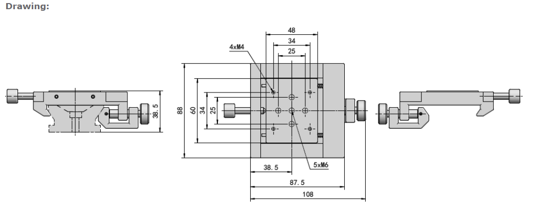
Features:
- Transverse fine adjustment ±5mm, M6x0.25 screw drive
- Easy-to-use dovetail design
- Thumb-adjust lock knobs
- Compatible with OR Series dovetail rails
Description:
The optical rail carriers are also easy to use and may be removed or installed at any point on the rail. The aluminum carriers ride on extra-hard polymer pads, selected for low friction, resistance to cold flow, and long life. The overall nominal height of a carrier mounted on to an optical rail is 38.5 mm. Convenient thumb-adjust lock knobs securely clamp the carriers in place anywhere on the rail.





